Podążaj za instrukcjami wyświetlonymi na poniższym wideo, aby zainstalować aplikację internetową na Twoim urządzeniu.
Uwaga: Ta opcja może nie być dostępna w niektórych przeglądarkach internetowych.
Tomek_KKR/wono-w2
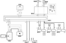
Pamietacie moze jeszcze kolor przewodu w stacyjce ktory dostaje napiecie po wlozeniu kluczyka?
a nie prościej podciągnąć z gniazda zapalniczki i od razu podświetlanie?Witaj
Ja niestety nie pamiętam. Sprawdzałem miernikiem. Po włożeniu kluczyka do stacyjki i wyłączeniu zapłony powinieneś mieć +12V. Po wyjęciu kluczyka +12V powinno zaniknąć
Wy dalej nie rozumiecie pojęcia +12V po włożeniu kluczyka (opcja 1) na skróty ale do baniWitajcie
Ja poradziłem sobie z tym tak jak powiedział Tomek_KRK. Poprowadziłem dodatkowy kabel z wtyczki stacyjki.
Nie mam żadnych problemów z instalacją akumulatora mi nie siada, wszystko jest ok.
Zaleta podłączeni w tym miejscu w stosunku do podłącznia do zapalniczki jest to, że wkładając kluczyk do stacyjki pokazuje sie 12V.
Mamy wszystko pod ręką wystarczy zdjąć panel środkowy.
Dodatkowo jeśli wyłączę zapłon nie wyjmując kluczyka ze stacyjki radio gra dalej. Dopiero jak wyjmę kluczyk radio gaśnie.
Moje radio to PIONEER F930BT
Ps. Kto powie mi skąd wziąć 12V po włączaniu świateł pozycyjnych bądź mijania . Kabel jest potrzebny w kabinie najlepiej w okolicy radia bądź skrzynki bezpieczników. Sterował on będzie podświetleniem radia (dzień-noc)
Pozdrawiam

